Choosing Solar Panels
Some things we have learned after building several different types of electrical systems
In order for solar to deliver and prevent disappointment, you need to engineer the system properly and know your actual budget, not just dollar wise, but power wise.
Visit our Power Budget page for more info.
Plan for producing less than 80% of the panel rating in Watts. In our experience reaching 80% output is just not the norm.
The picture below is from a recent swap out of panels.
To offset the 80% bottleneck you may want to overpanel your system.
To do this you need to know both the maximum Voltage input and maximum Amperage output of your MPPT Charge Controller
The SCC we are using in the link below is a 150V Max input and 70A max output.
To calculate our panel wattage multiply the Max Output Amps by the Battery Voltage, in this case we are using 12V batteries and have 70A output so that gives us: 12*70=840W.
We are using 36V panels connected in parallel so we do not need to worry about the voltage limits of the SCC. Since we have plenty of real estate for more panels we will go with (4) of the 405W panels or 1620W. This will help ensure that we can provide 70A to the batteries in all but the worst of solar weather.
For the test below we only had (3) of the 405W panels, but will be adding the 4th panel this winter and will update when completed.
The original system consisted of (10) - 100W standard panels that are for 12V systems, meaning they produce up to about 20V and then convert that to nominal 12V, usually between 13-14V depending on battery chemistry which you need to input in your Solar Charge Controller (SCC).
Both systems are wired in Parallel, Panels and Batteries.
The SCC for this system is a:
Victron Energy SmartSolar MPPT Tr Solar Charge Controller (Bluetooth) - 150V, 70 amp, 12/24/36/48-Volt
First we replaced the batteries, swapped out the (4) - 100ah LifePo4 and installed (2) - 300ah LifePo4 batteries.
We hooked up the old panels to the new batteries and read the max output via the MPPT SCC, which as you can see was 604W.
Then we disconnected the panels and did not charge the batteries any further until we could connect the new panels.
Then we swapped out the panels to (3) - 405W panels with a higher voltage rating at 31.35V.
This is where we confirmed using higher voltage panels is the way to go.
Roughly the same time of day so the sun was in nearly identical position, clear with zero clouds and temps in low 80's to keep it fair.
The lower voltage panels were only supplying 60% of their rated potential and 43.3 Amps to the batteries.
(Old panels were approximately 3 years old and cleaned before testing)
The brand new higher voltage panels were putting out 78% of their rated potential and 66.1 Amps or a 52.6% increase in Amps to the battery.
Wattage went from 604W to 952W or a 57.6% increase, even though it was only a 21.5% increase in rated wattage.
Click on pictures to see full size image
For background info:
Old 100W panels were roughly 2ft x 3ft in size
New 405W panels were roughly 4ft x 6ft in size
Bottom line, if you have room for larger, higher voltage panels and you have an SCC that can handle them, you will be much happier with the outcome than trying to use the small 12V panels.

Series vs Parallel
While we normally prefer parallel solar arrays on CTCs, there are times when you will want to deploy in a series or series/parallel configuration.
Most often systems are fairly small, limited roof space, however when you have the real estate and need power, series can make life easier.
Using 100 Watt panels may be beneficial on small roofs as they allow more physical layout options than larger panels in tight spaces.
Solar Charge Controllers (SCC) have 2 limiting factors, Voltage input from the panels, and Amperage Output to the batteries.
While it is perfectly safe and acceptable to overpanel the SCC in terms of Amperage to the battery, you cannot exceed the Voltage limitation to the SCC from the panels. This would burn out the SCC.
The least expensive and most common solar cables to transmit power from the roof to the SCC is a 10 AWG cable. We prefer to always stay with this as even the next size up, 8 AWG is nearly double the cost of the 10 AWG cable.
So if you need to transmit higher Wattages deploying a Series configuration may save you money.
Let's take a look at why series may save you money on wire.
The illustration below depicts batteries, but the same principle applies to solar panels, just replace the voltage and amperage numbers.
With a Series connection in the graphic you are transmitting 100 Amps vs the Parallel where you are transmitting 400 Amps, this equates to a very substantial difference in wire gauge.
Another method of wiring from panels to SCC that could save you on wire size is using multiple cable glands, maintaining 10 AWG wire from the panels to a disconnect inside the trailer. From the disconnect you would run your larger gauge wire to the SCC.
For maintenance reasons, it is preferred to have the wires combined inside the trailer instead of on the roof for easier access in all weather.

Example: Let's take a 6x12 CTC with a roof vent and you want to maximize your solar footprint, using 100 Watt panels you will be limited to 8 panels, see the layout in the image below.

If you were to wire this in Parallel you would need multiple cable glands (roof penetrations) or larger gauge wire.
The panels output is approximately 21 Volts, so 800W / 21V = 38A or in wire gauge, minimum 8 AWG.
If we were to deploy a 4 Series x 2 Parallel configuration you would have 400W / 84 Volts (4 x 21V) = 4.76A for each section so 2 x 4.76 is less than 10 Amps so you can easily use 10 AWG wire. See the image below for connections.
You could also deploy the panels in a 2 Series 4 Parallel configuration if shading is a concern. in this configuration you would have 200W / 42 Volts (2 x 21V) = 4.76A for each section, 4 x 4.76 is less than 20 Amps so you can still use 10 AWG wire.

To help understand the numbers, the image below is a chart showing panels in series and how the quantity affects the power.
The chart also show a 2 Series/4 Parallel configuration to help understand the basics of Series/Parallel configurations.

Keep in mind you do not want the voltage to exceed your SCC limits, so for example if you had a Victron 100/30 SCC your voltage limit is 100 volts and your amperage limit is 30 amps, in this case you would choose the voltage that is at least 15 Volts below your limit or the 4 Series panels at 84 Volts.
If you had the Victron 150/70 SCC you could choose up to the 6 Series Panels at 126 Volts.
"Solar Generator" vs Solar System
Price comparison of a Jackery 3,000W "Solar Generator" as compared to a 3,000W Solar System.
We wanted to provide a straightforward look at the cost of the 2 different ways to provide power, and a quick look at some benefits of each.
The biggest advantage of the "Solar Generator" units is portability without a doubt, so if you want the ability to use not only in your CTC but perhaps in your home for a power outage, these types of units may be for you.
The biggest advantage of an actual solar system is it's ability to keep itself charged without the need for an AC charging unit or setting up portable panels.
You could also use their power in your home as well, but would require a heavy gauge extension cord depending on distance.
The other big advantage of the system is the ability to easily replace components as opposed to replacing the whole "Solar Generator" in the event of a failure.
You may have noticed we use quotation marks on "Solar Generator" this is because the unit itself does not generate any power and optional solar panels need to be purchased, or be plugged into an AC outlet to charge the unit.
The Jackery Details
The System Details
Cost of Each Comparison
Powering a Mini-Split on Solar
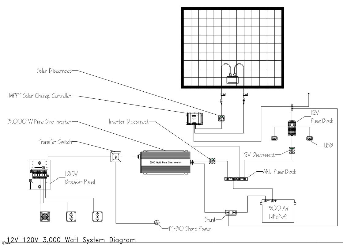
Just finished testing a new Mini-Split install with a system identical to above, running off Solar and 12V - 3,000W Inverter.
120V Unit rated 9,000BTU for AC and 10,000BTU for Heat.
Picture shows what it was drawing from batteries for both heat and AC with nothing else running off electrical system.
CTC has 1,215 Watts of solar (3x405W x 33V panels)and 600Ah LifePo4 batteries.
All in parallel for a 12V battery system.
Amazed how quiet the unit is since it is installed inside the trailer in a cubby behind a 24x36 baggage door.
The Panel Output graphic is the solar output between cycles of the Mini-Split, recharging the battery.
This size Mini-Split will consume between 230 Ah and 350 Ah overnight, this is based on 14 hours of non solar producing conditions at 600 Watts for AC or 900 Watts for heat with the unit running 20 minutes per hour or a 33% Duty Cycle.
Consider that during the day your solar system may be able to provide enough power to run the Mini-Split, but may not be able to replenish the batteries from the previous nights use. Design and build your system accordingly if this is the route you choose.
Powering a Roof Top AC on Solar
We installed an OutEquip AC unit on a recent trailer and were very pleasantly surprised by the power useage of this unit.
Link to the unit installed
Below is the power readings from the Victron MPPT and Battery Shunt.
As you can see the unit was drawing 360W while the solar was proving 605W, this was on an overcast day on a 1620W set of panels with 600aH of LifePO batteries. The Shunt is showing that at the current rate the battery could supply the load for 11Hrs 47Min without the solar charge current.
Power Budget Calculator: